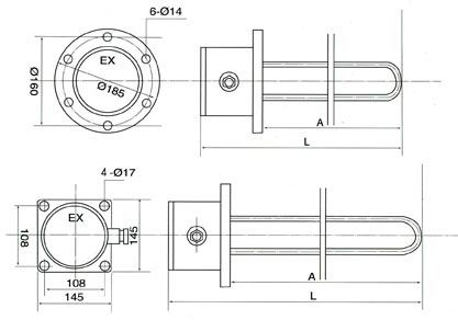
該加熱器為防爆加熱器,聯接法蘭采用圓法蘭和方法蘭的形式(方法蘭在型號后面加F),選定電壓可220V或380V,并可在接線腔內安裝溫度控制器。質量較為穩(wěn)定。
法蘭聯接的預留孔為≥Φ95。如需配溫控器,預留孔為≥Φ110,型號后加"T",設計壓力為1.6Mpa材料為全不銹鋼。
鋼管配線380V為M24×1.5;220V為M20×1.5
| 型號 | 額定電壓 V | 功率 kw | A mm | L mm | 適用電纜 mm |
| BGY8-220(380)/1 | 220/380 | 1 | 300 | 410 | 12-17 |
| BGY8-220(380)/2 | 2 | 400 | 510 | ||
| BGY8-220(380)/3 | 3 | 500 | 610 | ||
| BGY8-220(380)/4 | 4 | 600 | 710 | ||
| BGY8-220(380)/5 | 5 | 720 | 830 | ||
| BGY8-220(380)/6 | 6 | 850 | 960 | ||
| BGY8-220(380)/7 | 7 | 1000 | 1110 | ||
| BGY8-220(380)/8 | 8 | 1150 | 1260 |

